我们正在为您的物品搜索我们的广泛库存。

50°形成冲床和模压制动工具套装,M-93,F-1-1 / 8

运输:UPS

提供

    SKU:M-93,F-1-1 / 8

    库存#:6328

    类别:

    条件:

    类型:

    品牌:

    描述

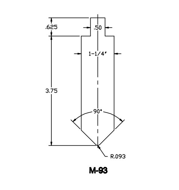
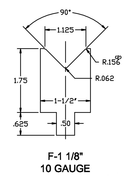
    特定的10仪90°成型冲头和模压制动工具套装

    库存# 6328

    型号:M-93,F-1-1 / 8

    规格:

    容量:10规格和打火机

    冲床:

    90°空气成型冲床

    半径:3 3/2”

    清洁酒吧:11 /4″

    深度:3 3/4“

    死:

    90°空气成型模具

    清洁酒吧:1/2″

    开放:1 1/8”

    深度:1 3/4“

    请注意:可以订购任何长度。请提交一个请求或电话定价

    FOB工厂

    找不到你需要的东西?给我们一个电话:1-800-394-4399