我们正在寻找贵公司产品的大量库存。

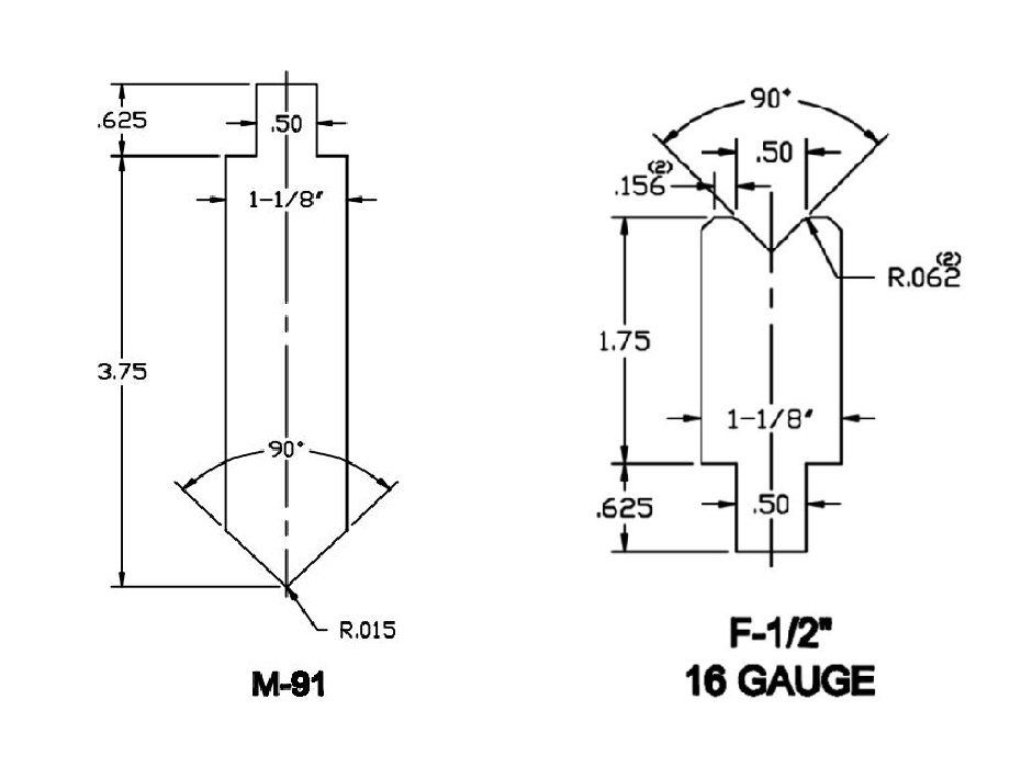
特定16规90°成型冲床和冲床制动模具组,M-91, F-1/2

运输:UPS

让提供

    库存单位:M-91,F-1/2

    库存#:6326

    类别:

    条件:

    类型:

    品牌:

    描述

    专用16轨距90°成形冲头和模压制动工装

    库存# 6326

    模型:m - 91, F-1/2

    规格:

    容量:16量规和打火机

    穿孔:

    90°形成穿孔

    半径:1/64〃

    清洁酒吧:1 1/8″

    深度:3 3/4“

    死:

    90°成型模

    清洁酒吧:1 1/8″

    开度:1/2〃x 90°

    深度:1 3/4〃

    请注意:可订购任何长度。请提交一个要求或要求定价

    FOB工厂

    找不到你需要的东西?打电话给我们:1-800-394-4399